C.各项施工方案和施工方法应与施工经验和技术水平相适应
D.对动员、清场、假日及天气影响的时间,应有充分的考虑并留有余地
7.在对进度计划进行工期和时间安排的合理性审查时,应重点审查( )。
A.施工总工期的安排应符合合同工期
B.主要骨干人员及施工队伍的进场日期已经落实
C.各项施工方案和施工方法应与施工经验和技术水平相适应
D.所需主要材料和设备的运送日期已有保证
8.在对进度计划进行计划目标与施工能力的适应性审查时,应重点审查( )。
A.施工总工期的安排应符合合同工期
B.主要骨干人员及施工队伍的进场日期已经落实
C.各项施工方案和施工方法应与施工经验和技术水平相适应
D.所需主要材料和设备的运送日期已有保证
9.考虑沥青路面结构层持续时间时,不属于影响因素的是( )。
A.沥青拌合机的能力 B.摊铺速度
C.混合料的出厂温度 D.开放交通的温度.
10.在中标通知书发出后合同规定的时间内,承包人应向( )书面提交一份详细和格式符合要求的工程总体进度计划。
A.监理工程师 B.业主
C.质量监督站 D.上级公司
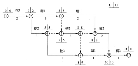
11.某公路桥梁工程结构物的流水施工的进度计划双代号网络图和节点时间参数如下:

该网络计划的关键线路是( )条。
A.1 B.2
C.3 D.4
12.第11题图中挖3工序的总时差是( )。
A.。 B.1
C.2 D.3
13.第11题图中挖3工序的自由时差是( )。
A.。 B.1
C.2 D.3
14.第11题图中挖3工序的最早开始时间和最早完成时间论述正确是( )。
A.挖3工序最早在第5d后开始并且最早在第6d晚上结束
B.挖3工序最早在第5d早晨开始并且最早在第6d晚上结束
C.挖3工序最早在第5d后开始并且最早在第8d晚上结束
D.挖3工序最早在第5d早晨开始并且最早在第9d晚上结束
15.第11题图中挖3工序的最迟开始时间和最迟完成时间论述正确是( )。
A.挖3工序最迟在第5d后开始并且最迟在第6d晚上结束
B.挖3工序最迟在第5d早晨开始并且最迟在第8d晚上结束
C.挖3工序最迟在第8d早晨开始并且最迟在第9d晚上结束
D.挖3工序最迟在第8d后开始并且最迟在第9d晚上结束
二、多项选择题
1.各个施工过程的劳动量和作业量是指( )。
A.工程细目的工程数量与相应时间定额的乘积
B.实际使用的工人数量与作业时间的乘积
C.实际使用的工人数量
D.实际使用的机械台数与作业时间的乘积
E.实际使用的机械台数
2.顺序作业法(也称为依次作业法)的主要特点有( )。
A.没有充分利用工作面进行施工 B.用于需要突击性施工时施工作业的组织
C.施工现场的组织、管理比较简单 D.专业化作业队能够连续作业
E.有利于资源供应的组织工作
3.在对进度计划进行施工准备的可靠性审查时,应重点审查( )。
A.施工总工期的安排应符合合同工期
B.主要骨干人员及施工队伍的进场日期已经落实
C.各项施工方案和施工方法应与施工经验和技术水平相适应
D.对动员、清场、假日及天气影响的时间,应有充分的考虑并留有余地
考试交流区成绩查询交流群(点击加入QQ群可快速加群交流成绩查询相关信息我们会及时在群里通知):
温馨提示:有任何报考及考试相关疑问,可添加网校专业老师个人微信号“edu24olxu”咨询。!考生可下载手机APP,随时掌握考试资讯!

扫一扫上面的二维码,添加老师个人微信号,所有课程七折开通
相关推荐:相关文章
如果本站所转载内容不慎侵犯了您的权益,请与我们联系
,我们将会及时处理。如转载本站内容,请注明来源:一级建造师考试网(www.jzsedu.org)。







